Инверторы VSC и CSC
По типу входной линии постоянного тока преобразователи постоянного тока в переменный (инверторы) делятся на 2 типа:
- VSC / VSI (voltage source converter / inverter) – преобразователь / инвертор с питанием от источника напряжения. Система отвечает «привычным представлениям»: напряжение входной сети постоянно, а величина тока в цепи зависит от мощности нагрузки.
- CSC / CSI (current source converter / inverter) – преобразователь / инвертор с питанием от источника тока. Ток входной сети постоянен, а величина напряжения в цепи зависит от мощности нагрузки.
Технология CSC широко использовалась с 1950-х годов (с момента внедрения инверторов для ЛПТ ЛЭП) до 1990-х годов как оптимальная схема для построения инверторов нужных для сопряжения линий ЛЭП постоянного тока (ЛПТ) и обычных ЛЭП 50Гц. С 1950-х до середины 1970-х в качестве ключевых элементов (вентилей) использовались ртутные дуговые выпрямители (игнитроны). Затем, с развитием полупроводников (ПП), в качестве ключей стали применяться тиристоры (симисторы).
С 1990-х по настоящее время альтернативная технология VSC становиться более популярной и экономически выгодной. Это произошло благодаря переходу от вакуумных ключей к полупроводниковым (ПП) и развитию биполярных транзисторов с изолированным затвором (БТИЗ, insulated gate bipolar transistors IGBT) и запираемых тиристоров (gate turn-off thyristors GTO или gate-commutated thyristors GCT), а также интегрированных затворно-коммутируемых тиристоров (integrated gate-commutated thyristor IGCT) и др. силовых ПП вентилей. Именно технология VSC применяется при проектировании большинства инверторов современных ИБП и инверторов систем ЛПТ. [1]
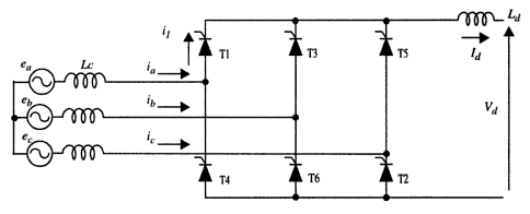
Примеры схем построения VSC и CSC инверторов представлены ниже:
|
||
|
Примером использования различных технологий (в том числе VSI / CSI) построения инверторов может служить частотно-регулируемый привод (частотно-управляемый привод, ЧУП, Variable Frequency Drive, VFD) – система управления частотой вращения ротора асинхронного (или синхронного) электродвигателя.
Несмотря на существование множества различных схем ЧУП, VSI / CSI инверторы являются наиболее распространёнными. Разновидности схем представлены ниже:
- Voltage-source inverter (VSI) drive topologies
- Current-source inverter (CSI) drive topologies
- Six-step inverter drive topologies
- Load commutated inverter (LCI) drive topologies (LCI это подвид CSI)
- Cycloconverter or matrix converter (MC) topologies
- Doubly fed slip recovery system topologies
[1] HVDC and FACTS Controllers: Applications of Static Converters in Power Systems // Vijay K. Sood // Kluwer Power Electronics and Power Systems Series // Series Editor: M.A. Pai
[2] http://www.donsion.org/calidad/cc8/c8-6.pdf
[3] http://en.wikipedia.org/wiki/Variable-frequency_drive



